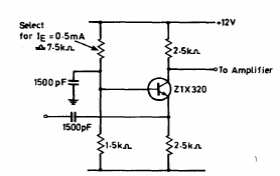
Este circuito foi encontrado no manual de transistores Ferranti de 1974. O circuito tem baixa impedância de entrada e alta impedância de saída.

Este circuito foi encontrado no manual de transistores Ferranti de 1974. O circuito tem baixa impedância de entrada e alta impedância de saída.
