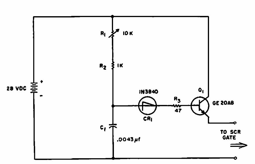
Este simples disparador de SCRs foi encontrado num manual de SCRs da General Electric de 1965. O circuito faz uso de um diac e o transistor admite equivalente.

 


| Clique na imagem para ampliar |

 

 

 

NO YOUTUBE


NOSSO PODCAST