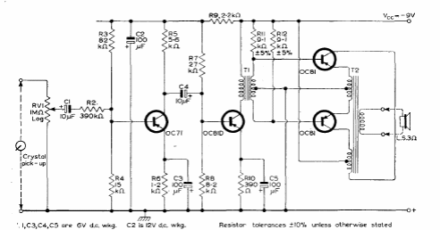
Usando transistores de germânio, este amplificador fornece 540 mW de potência de saída quando alimentado por 9V. Encontramos num manual da Mullard de 1960.

Usando transistores de germânio, este amplificador fornece 540 mW de potência de saída quando alimentado por 9V. Encontramos num manual da Mullard de 1960.
