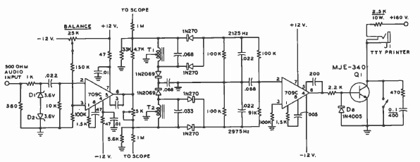
Este circuito foi encontrado num manual de radioamadores de 1977. Os circuitos integrados são amplificadores operacionais da época.

Este circuito foi encontrado num manual de radioamadores de 1977. Os circuitos integrados são amplificadores operacionais da época.
