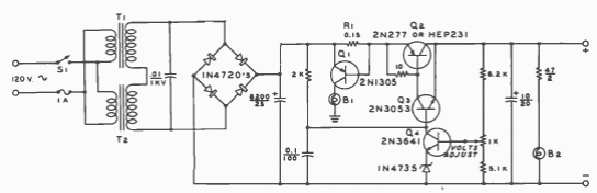
Essa fonte de 12 V fornece uma corrente máxima de 2 A sendo indicada para alimentação de equipamentos móveis. O circuito é de uma publicação americana de 1977.

 


 

 

 

 

NO YOUTUBE


NOSSO PODCAST