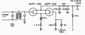
Encontrado num Radio Handbook de 1977 este circuito é adaptado a receptores de comunicação. O FET é comum em nossos dias, podendo ser usado equivalente como o BF245.

Encontrado num Radio Handbook de 1977 este circuito é adaptado a receptores de comunicação. O FET é comum em nossos dias, podendo ser usado equivalente como o BF245.
