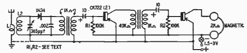
Este receptor para a faixa de ondas médias foi encontrado em livro sobre transistores de 1954. A bobina de antena é de tipo comercial da época e o fone deve ser magnético de alta impedância.

Este receptor para a faixa de ondas médias foi encontrado em livro sobre transistores de 1954. A bobina de antena é de tipo comercial da época e o fone deve ser magnético de alta impedância.
