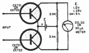
Este amplificador com dois transistores para instrumentos analógicos foi encontrado em publicação da Raytheon dos anos 60. Os transistores são tipos de germânio da época.

Este amplificador com dois transistores para instrumentos analógicos foi encontrado em publicação da Raytheon dos anos 60. Os transistores são tipos de germânio da época.
