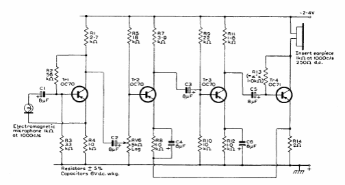
Este amplificador de 4 etapas foi encontrado num manual de transistores da Mullard de 1960. O circuito tem uma corrente de repouso de apenas 0,3 mA.

Este amplificador de 4 etapas foi encontrado num manual de transistores da Mullard de 1960. O circuito tem uma corrente de repouso de apenas 0,3 mA.
