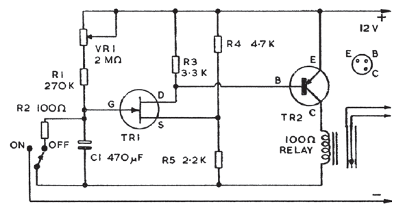
O intervalo máximo de tempo deste circuito depende de C1. Valores maiores podem ser usadas para se chegar a perto de 1 hora. O circuito é de uma documentação inglesa antiga.

O intervalo máximo de tempo deste circuito depende de C1. Valores maiores podem ser usadas para se chegar a perto de 1 hora. O circuito é de uma documentação inglesa antiga.
