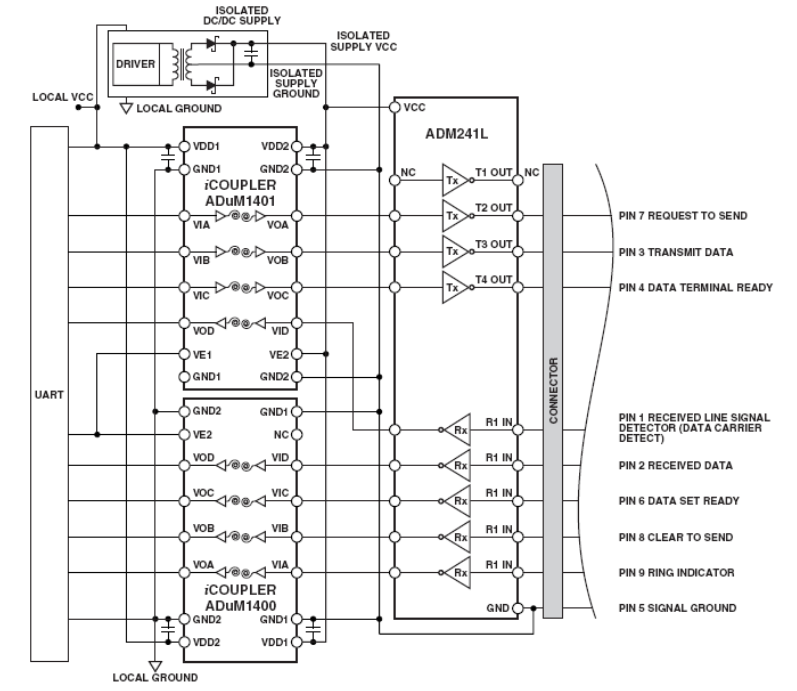
Nas aplicações críticas da interface RS-232, o perigo de tensões induzidas nos cabos deve ser considerado. Uma maneira de se evitar o problema é através do uso de isoladores ópticos. A Analog Devices (www.analog.com) em seu Application Note AN-740 dá circuitos práticos para esta finalidade com excelentes explicações sobre o funcionamento deste tipo de interface. Levando em conta que os acopladores ópticos digitais comuns não suportam sinais do padrão RS-232, o projetista deve estar atento na escolha do dispositivo correto para o projeto. No circuito apresentado na figura 2. No circuito apresentado, os transceptores RS-232 utilizam lógica digital com sinais entre 0 e 5V ou 0 a 3 V, sendo conectados a uma UART ou processador. O projeto apresentado utiliza um acoplador óptico da Analog especialmente projetado para esta finalidade. Observe que o diagrama da fonte também é incluído.
















