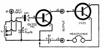
Este receptor dos anos 50 inclui uma etapa amplificadora com transistor complementar ao CK722, no caso o 2N35. O fone deve ser de alta impedância.

Este receptor dos anos 50 inclui uma etapa amplificadora com transistor complementar ao CK722, no caso o 2N35. O fone deve ser de alta impedância.
