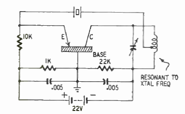
Este circuito controlado por cristal com 60 mW de potência está na revista Radio Electronics de 1950. A frequência é no máximo de uns 100 kHz.

 


 

 

 

NO YOUTUBE


NOSSO PODCAST