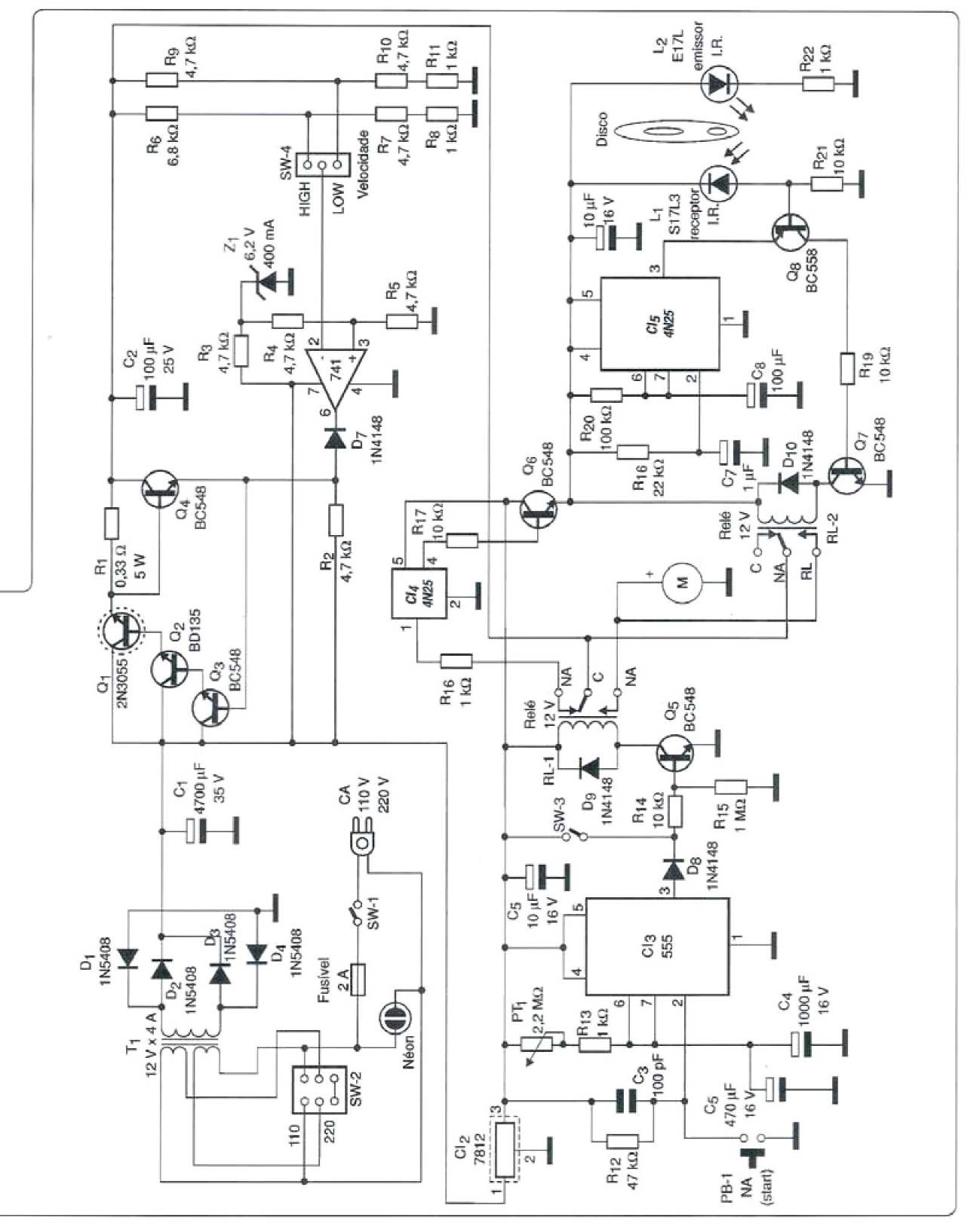
Este circuito controla o balanço do berço do bebê, sendo formado por uma fonte variável. Com a finalidade de controlar a velocidade do balanço foram adotadas duas velocidades (SW4), que possuem valores fixos determinados pelos resistores R6 a R11, Ao ligar a chave SW1, o motor será acionado por aproximadamente 10 segundos, tempo determinado por C15. Esse tempo é para que o berço fique na posição central 1; descanso).
O sensor formado por um disco perfurado determinará quando o berço estiver na posição central. Ajuste em PT1 o tempo que o berço ficará balançando, pressione PB1 (start) e assim o motor será acionado. Depois de decorrido o tempo selecionado através de PT1, o motor irá desligar, Porém, se ele parar em alguma posição que não seja a central, o sensor será novamente acionado por 10 segundos até encontrar a posição central, parando nela até que PB-1 seja pressionado de novo.
O tempo máximo para o balanço será de aproximadamente 1 hora, dependendo das tolerâncias dos componentes usados. Alterações nesses componentes são possíveis. A chave SW4 determina a velocidade do motor e SW3 quando fechada aciona o motor de forma direta. Para acionamento automático SW3 deve ficar aberta. Q1 deve ser dotado de um bom dissipador de calor, uma vez que opera bem aquecido. Já o CI2 deve ser dotado de um pequeno dissipador de calor. L1 e L2 formam um par de fotodiodos (emissor e receptor).
O motor utilizado é tipo limpador de para-brisas de 12 V. que possui uma caixa de redução com um bom Iorque para balançar uma criança. Já o sistema mecânico deverá ser construído para que o berço balance apropriadamente. O transformador utilizado é de 12 V x 4 A. O disco perfurado deve ser colocado junto a caixa de redução. Proteja o sensor e o LED para que não recebam luz ambiente. De Roberto Ednei Barbara - Londrina – PR, publicado na revista Eletrônica Total 124 de2007.
















