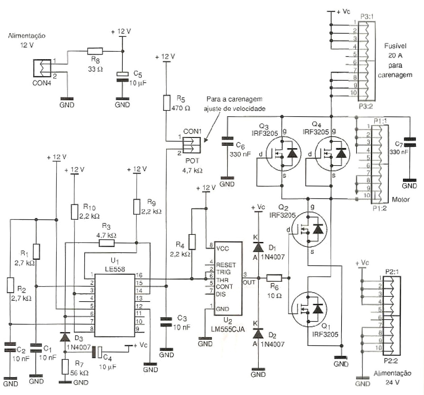
O circuito apresentado é simples tendo por base os CIs NE558 e NE555 com transistores IRF3205. Os transistores estão na configuração Darlington para maior capacidade de corrente. O motor usado foi o de uma cadeira de rodas de 24 V x 15 A, um motor bastante grande que no caso tinha um consumo elevado.
Foram então utilizados dissipa- dores de calor nos transistores. O conector P3 vai direto a um fusível de 20 A ligado à carenagem, mas nada impede que o montador faça uma adaptação na placa de circuito impresso. Lembramos que as trilhas da ligação dos transistores responsáveis pelas correntes el- evadas devem ser bem largas. Nas figuras seguintes temos o diagrama do controle e também os desenhos das placas de circuito impresso. Robson M. de Araújo
Obs.: O uso de semicondutores delicados em circuito de alta potência alimentado com alta cor- rente exige cuidados especiais de layout e dissipação. A placa deve ser rigorosamente a planejada pelo autor para que não ocorram surpresas de funcionamento.

















