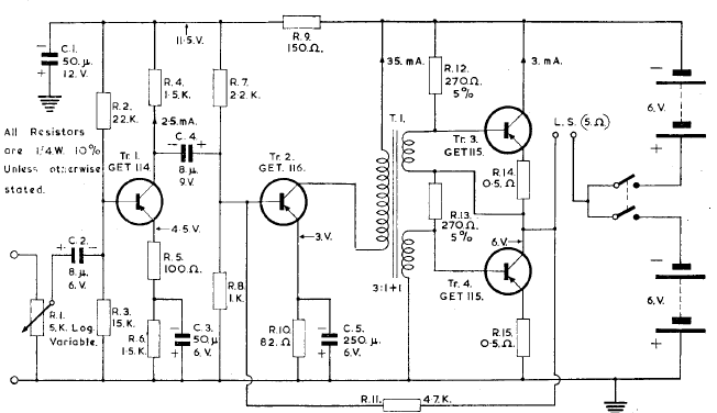
Este é um amplificador de 3W de potência alimentado por pilhas, usando transistores de germânio. O circuito é de uma documentação inglesa de 1967. Os transistores são da época.

 


| Clique na imagem para ampliar |

 

 

NO YOUTUBE


NOSSO PODCAST