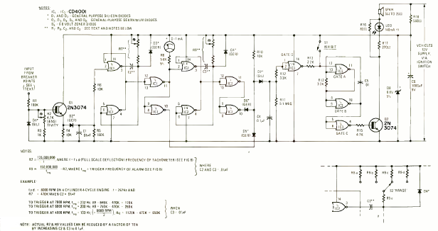
Encontramos este circuito numa Radio Electronics de outubro de 1976. Os componentes ainda são comuns, mas o circuito se aplica a modelos de carros antigos com ignição com platinado.

Encontramos este circuito numa Radio Electronics de outubro de 1976. Os componentes ainda são comuns, mas o circuito se aplica a modelos de carros antigos com ignição com platinado.
