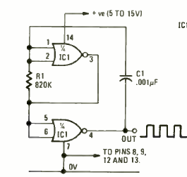
Este circuito CMOS 4001 básico foi encontrado na revista Radio Electronics de abril de 1976. O circuito gera sinais retangulares e os componentes podem ser alterados para se obter outras frequências.

Este circuito CMOS 4001 básico foi encontrado na revista Radio Electronics de abril de 1976. O circuito gera sinais retangulares e os componentes podem ser alterados para se obter outras frequências.
