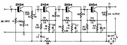
Este circuito é de uma publicação americana dos anos 50. Os transistores são de germânio e o acoplamento entre as etapas é RC. O ganho de tensão é 4000.

Este circuito é de uma publicação americana dos anos 50. Os transistores são de germânio e o acoplamento entre as etapas é RC. O ganho de tensão é 4000.
