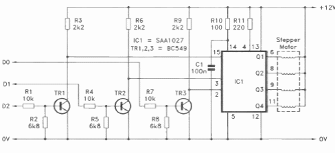
Utilizando o conhecido SAA1027, este circuito serve como interface para PC. Foi encontrado numa documentação inglesa dos anos 90, mas serve como shield atual.

Utilizando o conhecido SAA1027, este circuito serve como interface para PC. Foi encontrado numa documentação inglesa dos anos 90, mas serve como shield atual.
