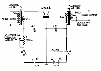
Encontrada em uma documentação americana antiga, esta etapa tem como acoplamento de entrada e de saída transformadores. Duas fontes são empregadas.

Encontrada em uma documentação americana antiga, esta etapa tem como acoplamento de entrada e de saída transformadores. Duas fontes são empregadas.
