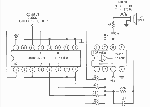
Este gerador CMOS com o 4018 foi encontrado na revista Radio Electronics de novembro de 1976. Ele usa um operacional 741 como amplificador de áudio.

Este gerador CMOS com o 4018 foi encontrado na revista Radio Electronics de novembro de 1976. Ele usa um operacional 741 como amplificador de áudio.
