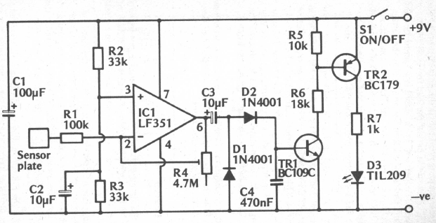
Este sensor de proximidade foi encontrado numa documentação antiga. Os transistores podem ser os BC548 ou BC558 para o PNP e o amplificador operacional admite equivalente.

Este sensor de proximidade foi encontrado numa documentação antiga. Os transistores podem ser os BC548 ou BC558 para o PNP e o amplificador operacional admite equivalente.
