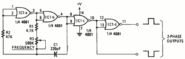
Esta é uma configuração comum de oscilador que gera sinais retangulares em oposição de fase. Este circuito é de uma Radio Electronics de outubro de 1986.

Esta é uma configuração comum de oscilador que gera sinais retangulares em oposição de fase. Este circuito é de uma Radio Electronics de outubro de 1986.
