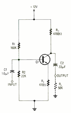
Esta etapa com acoplamento capacitivo pode ser implementada com qualquer transistor de uso geral. O circuito pode ser usado com alimentações de 6 a 12 V.

Esta etapa com acoplamento capacitivo pode ser implementada com qualquer transistor de uso geral. O circuito pode ser usado com alimentações de 6 a 12 V.
