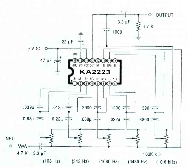
Este circuito foi encontrado em uma Radio Electronics de abril de 1990. O circuito tem 5 faixas de equalização dadas pelos capacitores utilizados.

Este circuito foi encontrado em uma Radio Electronics de abril de 1990. O circuito tem 5 faixas de equalização dadas pelos capacitores utilizados.
