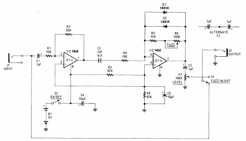
Este circuito com operacionais comuns foi encontrado na edição de 1993 do Radio Electronics Special Projects. O circuito é intercalado entre o captador e a entrada do amplificador.

Este circuito com operacionais comuns foi encontrado na edição de 1993 do Radio Electronics Special Projects. O circuito é intercalado entre o captador e a entrada do amplificador.
