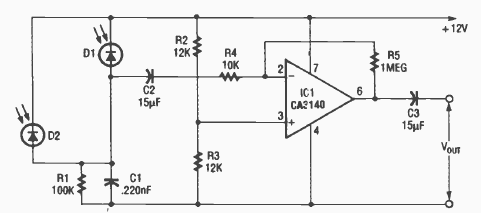
Este circuito para sensores de luz IR foi encontrado na revista Radio Electronics de julho de 1992. Ele está sintonizado para luz modulada de 20 kHz.

Este circuito para sensores de luz IR foi encontrado na revista Radio Electronics de julho de 1992. Ele está sintonizado para luz modulada de 20 kHz.
