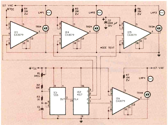
Encontramos este circuito na revista Radio Electronics de fevereiro de 1987. Ele se baseia num integrado disparador de triacs da RCA disponível na época. O circuito alimenta 4 lâmpadas incandescentes.

Encontramos este circuito na revista Radio Electronics de fevereiro de 1987. Ele se baseia num integrado disparador de triacs da RCA disponível na época. O circuito alimenta 4 lâmpadas incandescentes.
