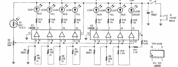
Este circuito para usos em fotografia foi encontrado na revista Electronics Experimenter Handbook Special projects de 1983. O circuito bargraph alimenta 8 LEDs.

Este circuito para usos em fotografia foi encontrado na revista Electronics Experimenter Handbook Special projects de 1983. O circuito bargraph alimenta 8 LEDs.
