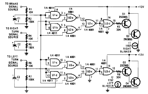
Este circuito para carros da época foi encontrado numa revista Popular Electronics dos anos 90. O circuito se baseia em lógica CMOS comum até em nossos dias.

Este circuito para carros da época foi encontrado numa revista Popular Electronics dos anos 90. O circuito se baseia em lógica CMOS comum até em nossos dias.
