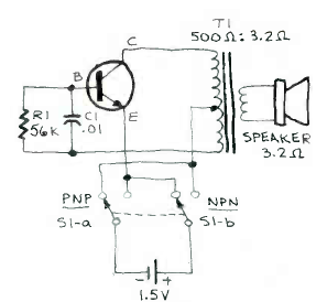
Este simples teste para transistores de uso geral nada mais é do que um oscilador Hartley. O transformador é tipo encontrado em rádios transistorizados antigos.

Este simples teste para transistores de uso geral nada mais é do que um oscilador Hartley. O transformador é tipo encontrado em rádios transistorizados antigos.
