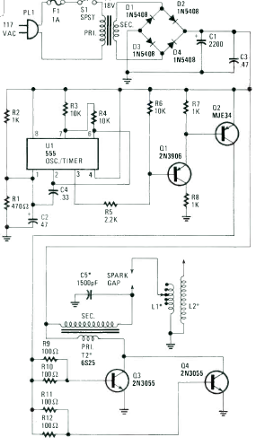
Esta bobina que gera tensões de algumas dezenas de milhares de volts foi encontrada na edição especial de 1990 da revista Radio Electronics Experimenter.

Esta bobina que gera tensões de algumas dezenas de milhares de volts foi encontrada na edição especial de 1990 da revista Radio Electronics Experimenter.
