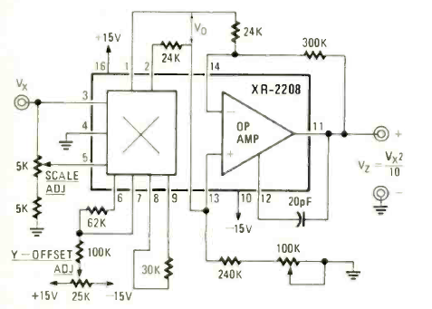
Este circuito com o XR2206 eleva ao quadrado o valor de uma tensão. O circuito foi publicado na revista Radio Electronics de abril de 1978 devendo ser alimentado com fonte simétrica de 15 V.

 


 

 

 

 

NO YOUTUBE


NOSSO PODCAST