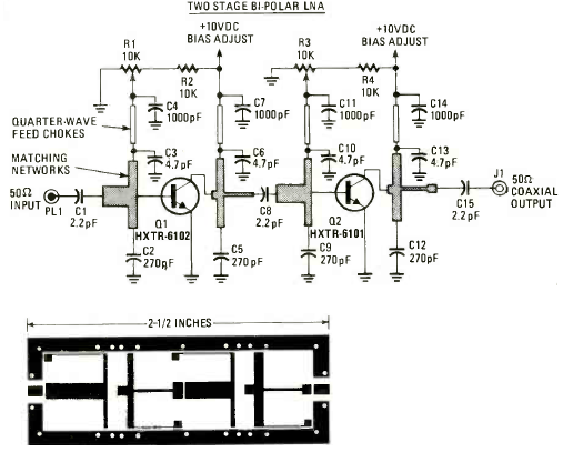
Usado na recepção de TV via satélite dos anos 80, este circuito foi encontrado na revista Radio Electronics de março de 1980. Observe o layout da placa.
.


Usado na recepção de TV via satélite dos anos 80, este circuito foi encontrado na revista Radio Electronics de março de 1980. Observe o layout da placa.
.

