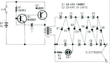
Esta defesa eletrônica foi encontrada na edição especial de 1990 da revista Radio Electronics Experimenter. Ela gera uma tensão de algumas centenas de volts.

Esta defesa eletrônica foi encontrada na edição especial de 1990 da revista Radio Electronics Experimenter. Ela gera uma tensão de algumas centenas de volts.
