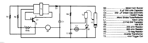
Encontrado na Enciclopédia de Circuitos Eletr}onicos volume 5 de 1995, este circuito usa um transformador. O circuito alimenta um transformador que produz 200 V para uma lâmpada de xenônio.

Encontrado na Enciclopédia de Circuitos Eletr}onicos volume 5 de 1995, este circuito usa um transformador. O circuito alimenta um transformador que produz 200 V para uma lâmpada de xenônio.
