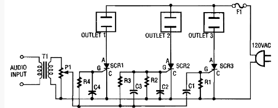
Este circuito para lâmpadas incandescentes foi encontrado numa edição dos anos 90 da revista Electronics Hobbyst. O circuito emprega SCRs comuns. P1 é de 10k, R1, R2 e R3 de 4k7 e os capacitores de acordo com as frequências que o circuito deve responder.

 


 

 

 

 

NO YOUTUBE


NOSSO PODCAST