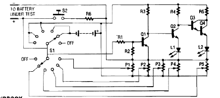
Este circuito de teste foi encontrado na PE Hobbyst Handbook numa edição dos anos 90. O circuito testa a bateria sob carga. A carga, conforme a bateria é selecionada pela chave.

Este circuito de teste foi encontrado na PE Hobbyst Handbook numa edição dos anos 90. O circuito testa a bateria sob carga. A carga, conforme a bateria é selecionada pela chave.
