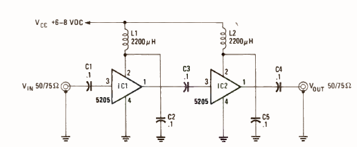
Utilizando o circuito integrado NE5205 este circuito foi encontrado na revista Radio Electronics de maio de 1987. Ele pode amplificar sinais de até 450 MHz.

Utilizando o circuito integrado NE5205 este circuito foi encontrado na revista Radio Electronics de maio de 1987. Ele pode amplificar sinais de até 450 MHz.
