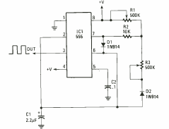
Este oscilador de 60 Hz com dois ajustes foi encontrado no Radio Experimenter Special projects de 1993. O circuito tem as faixas de tempo dadas por C1 que pode ser alterado.

Este oscilador de 60 Hz com dois ajustes foi encontrado no Radio Experimenter Special projects de 1993. O circuito tem as faixas de tempo dadas por C1 que pode ser alterado.
