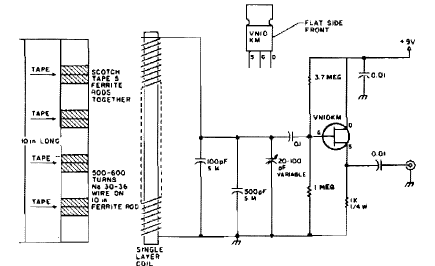
Este circuito para a faixa de 60 kHz foi encontrado na revista 73 e publicado em 1995. O circuito usa um bastão de ferrite. Observe o sentido dos enrolamentos das bobinas.

Este circuito para a faixa de 60 kHz foi encontrado na revista 73 e publicado em 1995. O circuito usa um bastão de ferrite. Observe o sentido dos enrolamentos das bobinas.
