Este é o gerador mais poderoso dos três circuitos descritos nesta série (anteriores em Gerador de Alta Tensão (Máquina Kirlian I) (PN058) e Gerador de alta tensão (Máquina Kirlian II) (PN059)). Tensões de até 40.000 V, e até maiores, podem ser produzidas e aplicadas aos eletrodos descritos nos projetos anteriores. Pode ser necessário usar vidros mais grossos ou pedaços de plástico para evitar choques com as tensões mais altas produzidas por este circuito.
Embora este seja um circuito de alta potência, a corrente é muito baixa, o que reduz o perigo de choques mortais se qualquer parte do circuito for tocada. Obviamente, deve-se ter extremo cuidado ao trabalhar com circuitos de alta tensão, pois sempre existe o risco de choque.
Aviso! Altas tensões são perigosas. Tome muito cuidado ao trabalhar com este dispositivo. É necessária experiência anterior com este tipo de dispositivo.
Nota: este artigo foi originalmente escrito para meu livro Electronic Projects from the Next Dimension. Veja em PN00 nota sobre o assunto de que ele trata. Projetos semelhantes podem ser encontrados no site. Digite magnético na busca para encontrar artigos.
O leitor pode usar este circuito em experimentos envolvendo fotografia Kirlian (eletrofotografia) e em outros experimentos paranormais, como aqueles envolvendo plasma ou ionização. A potência de saída do circuito é de até 20 W, e componentes comuns são usados.
Algumas características do circuito são as seguintes:
■ Tensão de alimentação: 117 ou 220/240 Vac (linha de alimentação CA)
■ Tensão de saída: até 40 kV (dependendo do transformador de alta tensão)
■ Potência de saída: 5 a 25 W (dependendo dos componentes usados)
■ Número de transistores: 1
■ Frequência de operação: 2 a 15 kHz
Como funciona
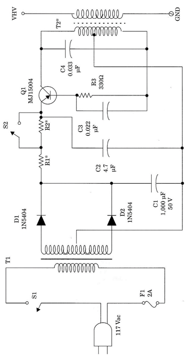
O circuito é formado por um oscilador Hartley de um transistor com a frequência de operação determinada por C3, C4 e a indutância do lado primário do transformador de alta tensão.
Um transistor de silício NPN de alta potência é usado no projeto. Este transistor deve ser montado em um grande dissipador de calor devido à alta corrente drenada da fonte.
R1 e R2 fixam a potência de saída controlando o dreno de corrente do transistor. R3 é o viés de base. Dependendo das características do transistor, que irão variar mesmo entre unidades do mesmo tipo, o resistor R3 deve ser experimentalmente especificado na faixa entre 270 e 470 Ω.
O transformador de alta tensão, que também determina a frequência de operação, é um transformador de saída horizontal de TV com núcleo de ferrite. O primário é formado por 20 a 40 voltas de fio comum coberto com plástico. No secundário deste transformador, aparece uma voltagem muito alta que será usada nos experimentos.
O fornecimento de energia é simples, pois não é necessária tensão regulada. Um transformador de 25 + 25 V é recomendado, mas a tensão não é crítica. Tipos com enrolamentos secundários classificados para tensões entre 20 e 25 V e correntes entre 3 e 5 A podem ser usados experimentalmente.
Montagem
O diagrama esquemático da máquina Kirlian III é mostrado na Fig. 1. Como o circuito não é crítico, uma técnica de montagem alternativa é sugerida na Fig. 2. Uma ponte de terminais é usada como chassi.


Essa ponte de terminais mantém os pequenos componentes, como resistores e capacitores, que são conectados aos outros componentes por fios. Componentes pesados, como o transformador, são fixados por parafusos diretamente na caixa.
A ponte de terminais e os outros componentes podem ser alojados em uma caixa de plástico ou madeira. Conforme recomendado em outros projetos de alta tensão, para evitar problemas de curtos ou choques, não use uma caixa de metal.
O transformador de alta tensão pode ser canibalizado a partir de qualquer TV preta e branca ou colorida antiga que não funcione. Se possível, encontre uma TV de 21 polegadas ou maior, pois o transformador de alta tensão usado nessas unidades pode fornecer tensões mais altas.
R1 e R2 são resistores com fio. C1 não é crítico e podem ser usados valores entre 1.500 e 4.700 µF.
O enrolamento primário é feito com fio comum 22 ou 24 revestido de plástico (rígido ou flexível) conforme mostrado nas figuras, com 35 + 35 voltas enroladas no núcleo. Certifique-se de que o fio seja enrolado na mesma direção após a torneira.
O transistor deve ser montado em um grande dissipador de calor. Mantenha todos os fios curtos para evitar oscilações e outros problemas.
Experimentando
Conecte o cabo de alimentação na linha de alimentação CA. Ligue S1, mantendo S2 aberto. O circuito produzirá um tom leve ou chiado indicando oscilação.
Aviso: Não toque em nenhuma parte do circuito durante o teste!
Use uma lâmpada de néon como nos projetos anteriores. Colocar a lâmpada de néon perto do transformador de alta tensão faz com que a lâmpada acenda. Isso indica que a alta voltagem está sendo produzida.
Você também pode usar uma lâmpada fluorescente comum para detectar a alta tensão. Pegue uma lâmpada fluorescente (mesmo que não funcione mais quando conectada à linha de alimentação CA) e coloque-a perto do terminal de alta tensão do transformador de alta tensão.
Se o transistor superaquecer, é uma boa ideia substituir o dissipador de calor por uma unidade maior. Os resistores R1 e R2 operam a quente; não se preocupe com isso.
Os eletrodos são construídos como nos Projetos anteriores. O vidro deve ser mais espesso neste projeto devido à alta tensão. Realize experimentos com eletrodos de vidro ou plástico de pelo menos 3 mm de espessura.
Um experimento interessante é feito colocando uma lâmpada incandescente de alta potência na saída de alta tensão, como mostrado na Fig. 3. Lâmpadas incandescentes comuns são preenchidas com um gás inerte para eliminar o oxigênio, que queimaria o filamento. Isso é necessário para evitar vácuo na lâmpada, o que criaria uma implosão em caso de impacto.
Exposto a um campo de alta voltagem, o gás inerte se ioniza e você verá feixes de gás ionizado emanando do filamento como em uma lâmpada de plasma. O filamento não aquece neste circuito, já que nenhuma corrente flui por ele. A corrente flui dele para o vidro e daí para o ar como cargas elétricas. Este é o efeito que você vê nas lâmpadas de plasma comuns.
Em nosso projeto, podemos usar qualquer lâmpada incandescente comum, branca, de vidro para a linha de energia CA (117 ou 220/240 Vca) com classificações de potência de 150 a 500 W. Coloque o dedo no vidro (cuidado!) E você verá um fluxo de íons e uma luminescência envolvendo-o (aura).
S2 aumentará a potência de saída do circuito. Se o circuito não operar como esperado, devido às diferenças características entre os componentes recomendados e instalados (devido a variações de tolerância e outros fatores e, em particular, se Q1 aquecer muito), tente as seguintes modificações:
■ Varie R3 na faixa entre 270 e 470 SI.
■ Varie R1 e R2, aumentando-os para 4,7 ou mesmo 5,6 Q.
■ Varie C4 no intervalo entre 0,027 e 0,1 [IF
■ Varie C3 no intervalo entre 0,015 e 0,1
■ Varie o número de voltas do enrolamento primário de T2 de 20 + 20 a 50 + 50.
Sugestões
■ Use este circuito para alimentar uma lâmpada fluorescente com um sinal de alta frequência / voltagem e faça experiências captando imagens ou sons (com o conversor de luz para som).

■ Um potenciômetro de fio enrolado (470 SI ou 1 k SZ x 5 W) pode ser conectado em série com R3 para controlar a potência de saída e também a frequência da alta tensão aplicada aos eletrodos.
■ A Figura 4 mostra como um retificador de alta tensão e um capacitor de vidro podem ser feitos para produzir uma alta tensão CC para experimentos.
■ Se um prego for colocado no terminal de tensão de saída com o capacitor de vidro e o retificador de alta tensão, conforme mostrado na Fig. 5, o circuito pode ser usado para produzir íons negativos (ou positivos) no ar.
Lista de Peças:
Semicondutores
Q1 MJ15004 transistor de silício NPN de alta potência
D1, D2 1N5404 Diodos retificadores de silício
R1, R2 3, 3 Ω x 10 W, (fio)
R3 330 Ω x 5W
Capacitores
C1 2.200 µF / 50 V, eletrolítico
C2 4,7 µF / 200 V, poliéster ou cerâmica
C3 0,022 µF / 200 V, poliéster ou cerâmica
C4 0,033 µF / 200 V, poliéster ou cerâmica Diversos
F1 2A Fusível
S1, S2 SPST, interruptores de alternância ou deslizantes
T1 Transformador: primário 117 Vca ou 220/240 Vca, secundário 30 + 30 V x 2 A (ver texto)
T2 Transformador de alta tensão (ver texto)
Caixa de plástico ou madeira, porta-fusíveis, eletrodos, régua de terminais, fios, solda, cabo de alimentação, etc.

















