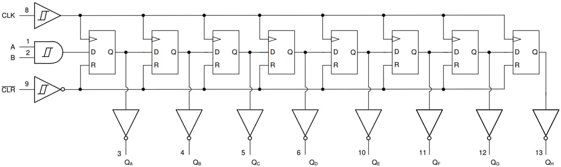
SN74HCS264 Q1 Shift register com saída paralela da Texas Instruments
Disponível através da Mouser Electronics, este circuito integrado para lógica de 2 a 6V pode fornecer saídas de 7.8 mA (drenando ou fornecendo) com 6V.

Disponível através da Mouser Electronics, este circuito integrado para lógica de 2 a 6V pode fornecer saídas de 7.8 mA (drenando ou fornecendo) com 6V.
