Neste artigo não só explicaremos como funcionam os comparadores de tensão quádruplos, como apresentaremos dois projetos interessantes e de baixo custo com estes integrados de fabricação nacional. O primeiro, é um VU-de-leds para decorar o som de sua casa ou carro. O segundo, um útil provador para o laboratório, que lhe ajudará a saber se seus componentes estão bons ou não.
Nota: Artigo publicado na Eletrônica Total 12 de 1989
Comparadores de tensão integrados quádruplos como os da série LM (Texas Instruments) e CA (Sid Microeletrônica) podem ser encontrados com facilidade nas casas de componentes, e com eles muitos projetos de grande interesse podem ser realizados.
De fato, num único integrado comparador quádruplo temos 4 amplificadores de altíssimo ganho, que servem para uma infinidade de aplicações práticas, das quais apresentamos duas neste artigo. Elaborando uma escala de barra móvel, aquela em que leds acendem em sequência, de tal forma que quando um acende, o anterior permanece aceso, temos um verdadeiro instrumento indicador de 4 níveis.
Aplicando o sinal de áudio de um amplificador num primeiro circuito, fazemos com que os 4 leds "dancem", correndo para esquerda e direita ao ritmo dá música e, ligando duas pontas de prova, num segundo circuito, fazemos um eficiente provador para avaliar o estado de componentes e circuitos.
O COMPARADOR DE TENSÃO E A ESCALA DE BARRA MÓVEL
Um comparador de tensão nada mais é do que um amplificador operacional de altíssimo ganho que possui duas entradas e uma saída, representado conforme mostra a figura 1.

Ligando dois resistores na entrada não inversora, que é representada por (+), fixamos uma tensão de referência. O valor desta tensão é dado pela fórmula:
VREF = R1 /(R1 + R2) x Vcc
onde:
VREF é a tensão de referência, em volts
R1 e R2 são os resistores do divisor, em ohms
Vcc é a tensão de alimentação ou aplicada ao divisor, em volts
Se R1 for igual a R2, a tensão de referência será igual à metade da tensão de alimentação. A entrada inversora (-) será usada para aplicar o sinal externo, que deve ser uma tensão contínua. Se na entrada aplicarmos uma tensão inferior à de referência, a saída do comparador será uma tensão positiva bem próxima da tensão de alimentação. Em outras palavras, a saída estará no nível alto.
Se a tensão aplicada na entrada ultrapassar o nível de referência, o comparador comuta e sua saída passa a apresentar uma tensão próxima de 0V, ou seja, estará no nível baixo. Veja que temos uma inversão de amplificação, justamente por estarmos aplicando o sinal na entrada inversora. Quando o sinal de entrada "sobe" para além da referência, a saída "desce" de Vcc para 0. Isso pode ser representado pela curva da figura 2.

Se, em lugar de aplicarmos a referência na entrada não inversora e o sinal na entrada inversora, "invertermos" a situação, aplicando o sinal na não inversora e a referência na inversora, a oscilação de saída será diferente: quando a tensão de entrada ultrapassar a referência, a saída oscilará de 0V até Vcc.
Nas nossas duas primeiras aplicações usaremos a referência na entrada positiva e obteremos o acendimento dos leds indicadores na saída pelo nível baixo. Para isso, basta que eles tenham o anodo no positivo (Vcc) e o catodo na saída do comparador, como mostra a figura 3.

Os integrados da série 139, 239 e 339 possuem 4 comparadores idênticos num único invólucro, o que nos permite a realização de configurações bastante interessantes, como as mostradas na figura 4.

Se ligarmos nas entradas de referência não apenas um par de resistores como divisores, mas uma rede composta de diversos resistores, de modo a escalonar tensões para cada entrada dos inversores, teremos uma escala de barra móvel de 4 leds ou um indicador de 4 níveis.
Supondo que tenhamos como tensões de referência V1 < V2
No momento em que a tensão de entrada ultrapassar V I, mas ainda ficar abaixo de V2, somente o primeiro comparador mudará de estado sua saída e assim só 'o primeiro led acenderá. Se a tensão continuar a subir e atingir V2, mas não chegar a V3, tanto o primeiro comparador como o segundo mudarão de estado, com suas saídas no nível baixo e os dois primeiros leds acesos.
Na passagem da tensão para um valor maior que V3, mas ainda menor que V4, o terceiro led acende e quando a tensão ultrapassar V4 acenderá o último led, permanecendo todos nesta condição.
A sensibilidade do circuito é enorme, podendo ser aplicados sinais de baixa intensidade diretamente de sensores como LDRs e outros. A resistência de entrada muito alta destes circuitos também permite que, na elaboração de um provador, não haja perigo para o componente em teste. Aproveitamos esta configuração nos dois projetos que se seguem.
VU-DE-LEDs
Descrevemos um sistema de 4 leds que acendem em sequência quando ligados à saída de qualquer amplificador de áudio. Os leds piscam ao ritmo da música e, como a alimentação pode ser feita com tensões entre 6 e 12V, podemos instalar o sistema no carro. Para uma versão estereofônica, bastará montar duas unidades e ligar uma na saída de cada canal do aparelho de som.
É importante observar que, como os comparadores de tensão exigem um mínimo de potência do amplificador, este não perde seu volume e nem é sobrecarregado com a ligação do aparelho.
MONTAGEM
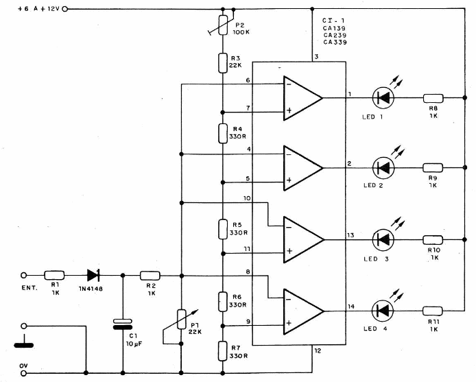
Na figura 5 temos o diagrama completo do aparelho para um canal, que pode ser ligado inclusive na saída de rádios portáteis e gravadores pequenos.
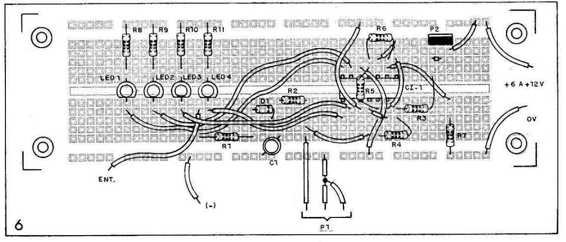
Se você quiser experimentar a montagem na matriz de contatos, damos a versão na figura 6. Esta mesma versão pode ser transferida para uma placa de circuito impresso de mesmo traçado para uma montagem definitiva.
Os leds são comuns e os resistores de 1/8 ou 1/4W. O capacitor C1 dá inércia ao sistema, podendo ser alterado para que os leds pisquem de modo mais lento ou rápido. Valores entre 2,2 e 47 µF podem ser experimentados.
Para a maioria dos amplificadores o resistor R1 pode ser de 1 k, mas se sua potência for inferior a 1W (radinhos ou gravadores), ele poderá ser reduzido para 100Ω. O diodo D1 é do tipo de uso geral 1N4148 ou equivalente.
P1 é o ajuste de sensibilidade, enquanto P2 ajusta o final da escala. Sendo P2 um trimpot, será ajustado uma única vez após a montagem do aparelho. Já o ajuste de P1 dependerá do nível de som em que se utiliza o amplificador.
Na montagem em placa de circuito impresso, sugerimos que os leds sejam mantidos com terminais longos, para facilitar a instalação numa caixa ou painel, conforme mostra a figura 7.

Para proteger o integrado contra o calor na soldagem e facilitar sua troca em caso de queima sugerimos a utilização de um soquete.
PROVA E USO
A entrada e o terra (T invertido) são ligados na saída de som do amplificador (terminais do alto-falante). O fio terra, no caso de ligação no carro, pode ser eliminado e a entrada irá à saída positiva (fio vermelho) do alto-falante. Num rádio transistorizado podemos experimentar a ligação na saída de fone.
Abra totalmente P1 (máxima resistência) e ajuste P2 para obter o efeito de acendimento dos leds com o mínimo de som. Depois disso, é só utilizar o aparelho, ajustando sempre em P I o funcionamento, quando alterar o volume do aparelho de som.

TESTE DE 4 NÍVEIS
Este outro projeto permite avaliar a resistência de um componente, ou então fazer provas de continuidade com grande sensibilidade e indicação em 4 níveis. A alimentação do circuito é feita com 4 pilhas comuns e resistências de até 2M podem ser verificadas.
COMO FUNCIONA
Novamente temos á escala de 4 leds com um comparador de tensão quádruplo. Na entrada dos comparadores ligamos duas pontas de prova, de modo a termos uma tensão inversamente proporcional à resistência do circuito em teste. O valor de resistência que faz o acionamento do led3 pode ser ajustado no potenciômetro P1 servindo de referência para provas, tanto de altos como de baixos valores.
Com P1 no mínimo, teremos a medida de baixas resistência (até 10k aproximadamente), enquanto, com P1 no máximo, teremos a medida de grandes resistências (até 2M).
Como a corrente de prova é bastante pequena, principalmente nas medidas de altas resistências, qualquer tipo de componente pode ser provado sem perigo para sua integridade.
MONTAGEM
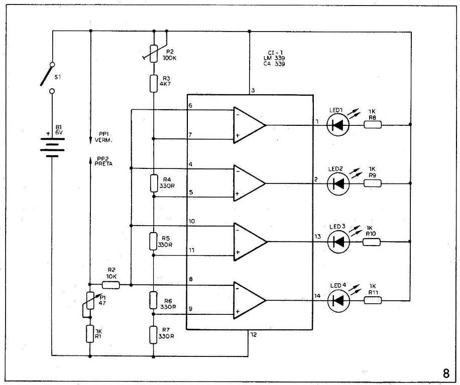
Na figura 8 temos o diagrama completo do provador.
Você poderá testar o circuito na matriz de contatos, orientando-se pela figura 9, e, por esta mesma figura, fazer a montagem numa placa de circuito impresso de mesmo traçado.
Os resistores são todos de 1/8 ou 1/4W e os leds são vermelhos e verdes. Será interessante que o led2 ou 3 seja diferenciado, para servir de referência no ajuste de P1.
O integrado deverá ser montado em soquete, caso seja usada a placa para realização definitiva. Observe a polaridade dos leds e da fonte de alimentação ao realizar a montagem. Na placa, os leds devem ser montados com terminais longos, do mesmo modo que no projeto anterior.
Na figura 10 temos a sugestão de instalação do conjunto numa caixa plástica Patola.

As pontas de prova tanto podem ser compradas prontas, como improvisadas com fios de cobre grossos encapados com fita isolante ou mesmo pregos.
PROVA E USO
Ligue S1 e coloque P1 na posição de menor resistência. Entre as pontas de prova ligue um resistor de 10k. Ajuste P2 para que o led2 ou 3 seja o último a acender. Com este procedimento, o trimpot P2 não precisa mais de ajustes e em P1 teremos duas possibilidades para o uso: todo fechado para pequenas resistências e todo aberto para grandes resistências.
Partindo de resistências de valores conhecidos, podemos marcar na escala do potenciômetro P1 os ajustes em que obtemos o acendimento do segundo ou terceiro led. Desta forma, poderemos medir com precisão resistências numa boa faixa.




















