Normalmente os circuitos práticos que empregam os amplificadores operacionais 741 ou 709 exigem para sua alimentação uma fonte simétrica de 15 volts, ou seja, que forneça uma tensão de 15 volts positivos em relação 'a massa de 15 volts negativos em relação à massa, o que pode ser expresso como 15 - 0 - 15 volts.
Se bem que na maioria de diagramas de projetos que empreguem esses circuitos, a fonte seja omitida subentendendo-se que o montador já tenha conhecimento do modo de obter aquelas tensões, muitos se veem em dificuldades em completar os projetos justamente no momento de conseguir uma boa fonte para essa finalidade.
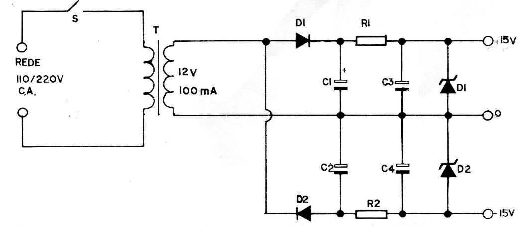
A fonte que descrevemos neste artigo é extremamente simples podendo servir para alimentar circuitos que utilizem até 3 amplificadores operacionais do tipo 741 ou 709 sendo ideal para experiências de bancada ou para fazer parte de projetos de equipamentos.
CIRCUITO
O circuito é bastante simples, não havendo nada de anormal no que se refere a soluções dadas para a obtenção das características desejadas. O transformador é do tipo para uma tensão de 12 volts no secundário de uma corrente de 100 mA, e os diodos são do tipo 1N4002 para uma tensão de 100 volts e corrente de 1A.
Os diodos zener de 1W asseguram a necessária regulagem do circuito, de modo a se obter uma tensão desejada de 15 volts na saída.
Os capacitores de filtro usados neste circuito devem ter uma tensão de isolamento adequada, sendo, portanto, de mais de 20 volts. Capacitores para 25volts, servirão perfeitamente.
Com o circuito descrito a corrente máxima de salda possível será da ordem de 50mA.
O leitor que utilizar esta configuração para experiências de bancada pode agregar ao primário do transformado uma lâmpada indicadora para saber quando a unidade se encontra em operação, e também um fusível rápido de 1 ampère para sua proteção.
A montagem poderá ser feita tanto em ponte de terminais como em placa de circuito impresso já que se trata de circuito bastante simples.
LISTA DE MATERIAL
T1 - 12 volts x 100 mA - transformador
D1, D2 - 1N4002 ou equivalente
Z1, Z2 zener para 15 volts x 1W
C1, C2 - 500 µF x 25 V
C3, C4 - 330 µF x 25 V
R1, R2 - 150 ohms x 2 W
Diversos: bornes, cabo de alimentação, fios, placa ou ponte de terminais para a montagem, caixa, etc...
















