Este artigo foi escrito com base no meu livro Robótica, Mecatrônica e Inteligência Artificial - Robotics, Mechatronics and Artificial Intelligence (esgotado) publicado nos Estados Unidos. O circuito descrito pode ser usado para ligar e desligar cargas alimentadas pela rede elétrica. Este circuito tem as mesmas aplicações que o MEC445.
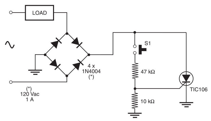
O circuito mostrado na Figura 1 é outra maneira de conectar a carga em um comutador de onda completa usando um SCR. O circuito opera da mesma maneira que o anterior.
O SCR deve ser montado em um dissipador de calor de acordo com a potência da carga controlada.
















