Este projeto faz parte do meu livro Robótica, Mecatrônica e Inteligência Artificial - Robotics, Mechatronics and Artificial Intelligence (esgotado) publicado nos Estados Unidos. Ele ensina como construir um condicionador de contato usando o 7400 TTL, adequado para projetos de mecatrônica ou robótica com microcontroladores ou como um bloco de construção para projetos simples.
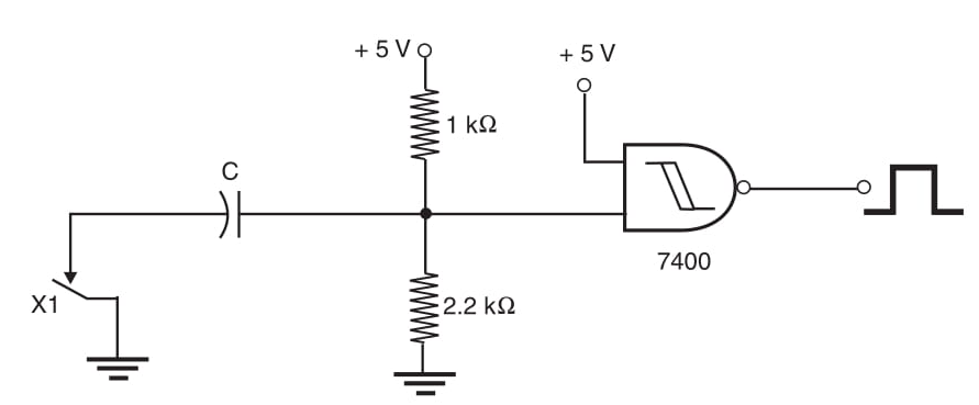
O bloco mostrado pela Figura 1 usa um CI TTL devendo ser alimentado a partir de 5 V. Quando o sensor é fechado, a saída do bloco lógico vai para o nível lógico alto podendo excitar uma etapa de potência, como mostrado em outras partes desta seção. O capacitor determina a constante de tempo do circuito, e valores típicos para eliminar problemas de repique estão na faixa entre 0,047 e 0,47 μF.
















