Este projeto faz parte do meu livro Robótica, Mecatrônica e Inteligência Artificial - Robotics, Mechatronics and Artificial Intelligence (esgotado) publicado nos Estados Unidos. Ele ensina como construir um condicionador de contato usando o 7400 TTL adequado para projetos de mecatrônica ou robótica com microcontroladores ou ainda como um bloco de construção para projetos simples.
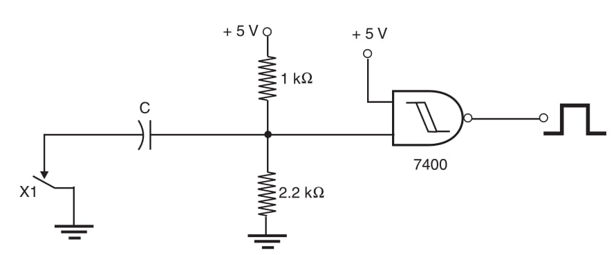
O circuito mostrado pela Figura 1 usa um TTL IC e deve ser alimentado com fonte de 5 V. Quando o sensor é fechado, a saída do bloco lógico vai para o nível lógico alto e pode conduzir um estágio de potência, como mostrado nas partes anteriores deste livro. O capacitor determina a constante de tempo do circuito, e valores típicos para eliminar problemas de salto estão na faixa entre 0,047 e 0,47 μF.
















