O assunto em destaque na edição deste mês da revista Saber Eletrônica está diretamente relacionado com as telecomunicações. Projetos envolvendo os mais diversos tipos de comunicações sem fio, seja a curta distância (wireless), ou circuitos para aplicações à longa distância serão abordados, dando elementos para os desenvolvedores criarem os mais variados produtos atendendo as mais diversas áreas. Os projetos apresentados são todos baseados em documentação dos próprios fabricantes e dada nossa limitação de espaço, normalmente consistem numa forma resumida de documentação.
Assim, para os leitores que desejarem informações mais detalhadas, os links dos fabricantes serão fornecidos possibilitando o acesso aos documentos originais onde inclusive as listagens dos programas usados nos casos de microcontroladores, microprocessadores e DSPs forem utilizados. Esperamos que a coletânea de projetos descritos forneça as informações básicas para que os leitores, ávidos por ideias novas, possam criar produtos inovadores tragam grandes lucros.
Amplificador de 1,9 GHz com 3 V
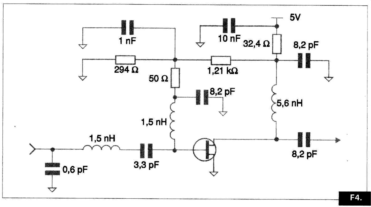
Descrevemos neste artigo o uso de um amplificador com transistores bipolares para a faixa de 1,9 GHz, sugerido pela NXP (antiga Philips Componentes). Mais informações podem ser obtidas no site www.nxp.com. O amplificador é elaborado em tomo dos transistores BFG540/X de banda larga e dos transistores de potência de RF BFG10/X e BFG11/X.
O amplificador consiste em uma placa de demonstração, desenvolvida para o máximo de ganho e eficiência nas condições de potência de saída de 26 dBm, tensão de alimentação de 3,6 V e frequência de 1 900 MHz.
O amplificador tem um ganho de 25 dB e 26 dBm de potência de saída. Se mais ganho for necessário, um pré-estágio poderá ser acrescentado utilizando um transistor BFG505, por exemplo. Esse transistor pode aumentar o ganho em aproximadamente 10 dB, sem uma diminuição significativa da eficiência.
Considerando que o amplificador é elaborado com transistores bipolares, nenhuma tensão é perdida por efeito de comutação, como ocorre nos projetos que usam FETs de GaAs.
Para o desenvolvimento do amplificador, informação sobre impedância dos transistores é necessária de modo a se projetar os circuitos de casamento.
O amplificador é elaborado com 3 estágios, com um BFG540 operando em classe A, e os BFG10 e BFG11 operando em classe AB. Na figura 1 temos o diagrama completo do amplificador.
Atenuador de RF CMOS HRF-AT4510
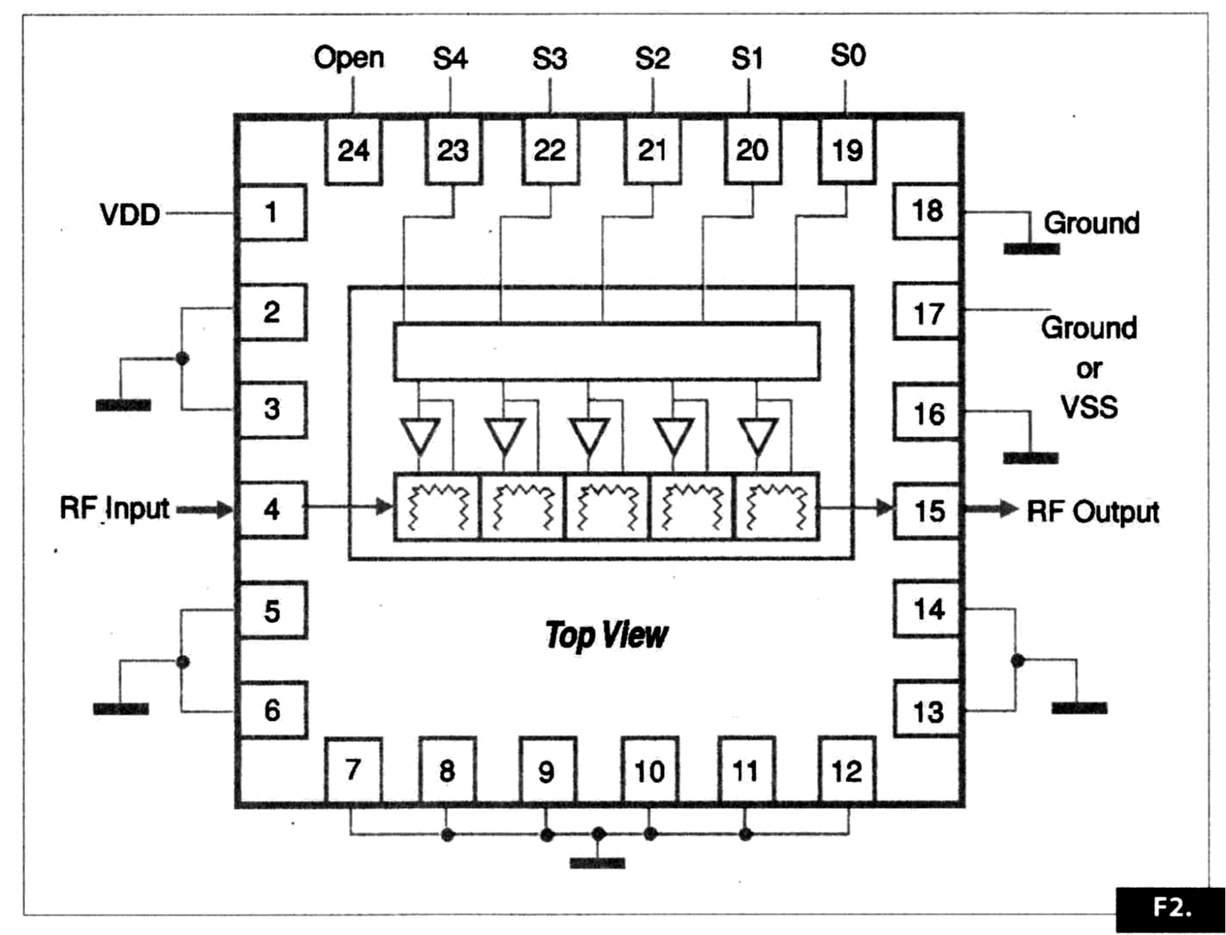
O HRF-AT4510 da Honeywell (www.honeywell.com) consiste de um atenuador CMOS de RF, projetado especialmente para aplicações sem fio na indústria.
O novo atenuador de silício inclui no mesmo chip funções de RF e CMOS em tecnologia SOI, fornecendo a mesma performance da tecnologia GaAs.
As vantagens são o baixo custo e maior facilidade de integração, que possibilitam seu uso numa ampla gama de aplicações de RF que exijam precisão, velocidade e baixo consumo. Na figura a seguir temos o diagrama funcional do dispositivo.
Dentre as aplicações sugeridas pela Honeywell temos as estações radiobase de telefones celulares, PCS (Personal Communications Service) e GSM (Global System for Communications), equipamentos portáteis e WLAN (Wireless Local Area Network).
O dispositivo consiste em um circuito de RF ativo, formado por chaves FET de micro-ondas que selecionam a rede passiva de atenuação, de modo a programar sua atenuação.
A rede é projetada para manter 50 ohms de impedância de entrada e saída, independentemente do ajuste da atenuação de modo a fornecer o melhor casamento com os dispositivos do restante do circuito.
A interface paralela digital é bufferizada e protegida contra ESD. Os níveis de dados colocados nessas entradas permitem a programação da atenuação do dispositivo.
Alteradores de Nível P1dB: Esse recurso tem uma configuração ótima de modo a operar com altos níveis de potência. Com o pino Vss ligado ao terra assumido, o produto P1dB no nível baixo tem 20 dBm. Com Vss no negativo da alimentação, - 5 V, temos 7 dB - 10 dB de potência adicional.
As saídas podem operar com fontes de alimentação simples e duplas e o componente é fornecido em invólucro LPCC de 24 pinos. Mais informações podem ser obtidas no pdf do componente no próprio site do fabricante. Na figura abaixo vemos um circuito típico de aplicação.
Transceptor CAN da alta velocidade
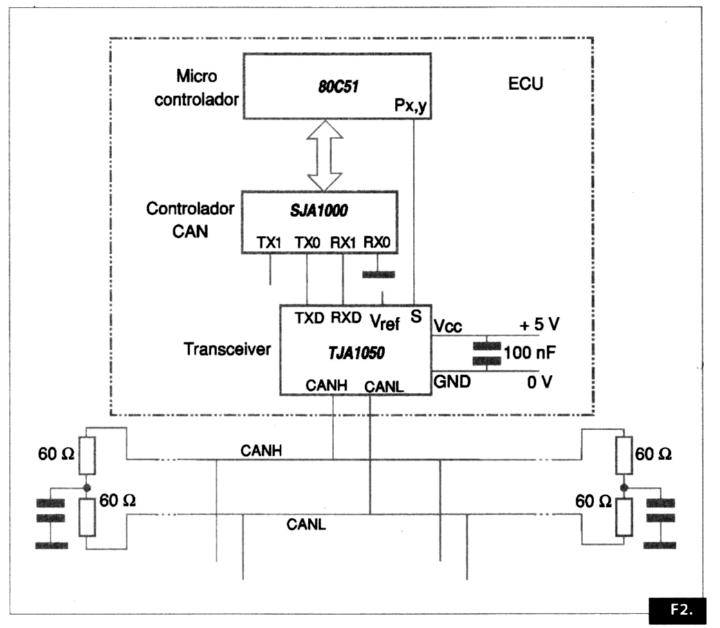
Descrevemos a aplicação do transceptor TJA1050 da NXP (www.nxp.com) em CAN (Controller Area Network), com base no Application Note AN00020 que pode ser acessado completamente no site da empresa na Internet.
O TAJ1050 consiste em um transceptor de CAN avançado para uso automotivo e também em aplicações industriais, suportando sinais diferenciais de barramento, descritos no padrão internacional para aplicações CAN em veículos (ISO 11898).
CAN é um protocolo para transmissão de dados seriais, originalmente criado para transmissão e controle de dados entre um certo número de nodos em um barramento.
Daremos a seguir informações de como usar o TJA1050 da NXP (antiga Philips Components) numa aplicação CAN de alta velocidade. O produto indicado suporta velocidades de até 1 mbit/s em uma linha diferencial de dois fios, que é o meio especificado pelo padrão ISO 11898.
Na figura 4 temos uma representação do padrão internacional ISO 11898, Ref 1 e Ref 2, indicado para comunicação de dados em alta velocidade em veículos.
A camada física é dividida em 3 subcamadas, mostradas na figura.
A partir dessa estrutura, uma aplicação para um transceptor CAN de alta velocidade pode ser desenvolvida. Nela, um controlador de protocolo é conectado ao transceptor via uma linha serial de dados de saída (TXD) e uma linha de entrada de dados (RXD).
O transceptor é ligado às linhas do barramento pelos seus dois terminais de barramento CANH e CANL, que proporcionam ao sistema a capacidade de receber e transmitir dados no modo diferencial.
O pino S (8) é usado para controle de modo. A saída de referência de tensão Vref fornece uma tensão nominal de saída de Vcc/2, usada como nível de referência para dois controladores CAN com entradas analógicas RX. Essa referência não é necessária para o SJA1000.
O transceptor é alimentado com uma tensão nominal de 5 V. Na figura 5 ilustramos a aplicação típica para o transceptor CAN com o TJA1050.
As saídas do controlador de protocolo fornecem uma corrente de dados para a entrada TXD do transceptor. Uma função interna pull-up fixa a saída R+TXD no nível lógico alto, ou seja, o driver de saída do barramento é passivo na condição de circuito aberto.
No estado recessivo, conforme mostra a figura 6, as entradas CANH e CANL são polarizadas com um nível de tensão de Vcc/2 através das redes de entrada do receptor com uma impedância interna típica de 25 k ohms.
Por outro lado, se um nível lógico baixo é aplicado ao TXD, ele ativa o estágio de saída do barramento, gerando um nível de sinal dominante no barramento.
O driver de saída CANH proporciona uma fonte tensão de saída de Vcc e o driver de saída CANL um dreno de tensão em relação ao terra (GND).
O barramento estará no estado recessivo, se nenhum nodo transmitir um bit dominante. Se um dos nodos dos barramentos múltiplos transmitir um bit dominante, as linhas do barramento entrarão no estado dominante sobrescrevendo o estado recessivo.
Tipicamente, o barramento é formado por um par de fios trançados. Considerando uma topologia linear, como especificada no ISO 11898, os dois extremos do barramento devem ser terminados com um resistor de 120 ohms de valor nominal. Isso resulta numa carga para o barramento de 60 ohms nominais. Um casamento bom do resistor de terminação com a impedância do cabo assegura que os sinais de dados não reflitam nas extremidades do barramento.
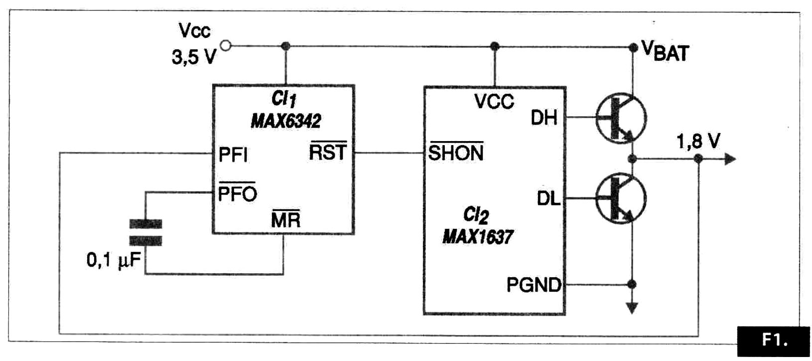
Controlador auto-retry para aplicações em telecom
Nos sistemas de telecomunicações, como rádio links e redes ponto-a-ponto, o controlador ponto para multiponto desliga o sistema no caso da ocorrência de uma falha. Quando a falha é breve, há um curto-circuito momentâneo, por exemplo, devido a ações de medidas ou calibrações, e o controlador auto-retry estará pronto para reinicializar o sistema.
O MAX1637 é um dispositivo comum em aplicações de telecom. Ele oferece operação PWM, pequeno tamanho e uma alta capacidade de excitar MOSFETs, além de uma ampla faixa de Vin e Vout e excelente proteção contra sobre e subtensões.
Na figura abaixo temos um circuito usado nessa aplicação. Supondo que uma subtensão seja relacionada a um curto-circuito, o controlador não pode regular a tensão de alimentação.
Se a tensão permanecer abaixo de 70% do seu valor nominal, para 6144 ciclos de clock, Cl2 trava e desliga ambos os dispositivos. Para rearmar o circuito Cl2, deve-se desligar a fonte de alimentação e atuar sobre o sinal SHDN-bar.
O microprocessador supervisor (CI1) inclui um comparador interno de queda de alimentação e um circuito de reset manual (MR). A entrada PF1 de CI1 detecta quando Vout (1,8 V) está acima da referência interna de tensão (1,25 V). Se Vout cai abaixo de 1,25 V (devido a um curto-circuito, por exemplo), a saída PFO-bar gera um pulso usando o resistor interno de pull up de 60 k ohms e um capacitor externo de 0,1 µF.
O pulso excita o MR-bar levando-o ao nível baixo e, com isso, faz com que o RST-bar seja levado ao nível baixo. Depois de um intervalo de 140 ms, o REST-bar e SHDN-bar voltam ao nível alto, reabilitando Cl2.
Esta supervisão também ocorre quando a tensão de alimentação é estabelecida. A linha de 3,5 V estabiliza-se depois de 140 ms, fazendo com que RST-bar vá ao nível alto e com isso ative Cl2. Mais informações podem ser obtidas em www.maxim-ic.com.
HT48E06 - Decodificador de Saltos
O circuito integrado HT48E06 da Holtek (www.holtek.com) consiste de um decodificador de saltos (Hopping Decoder) destinado a decodificação de dados, dados-chave e dados rolantes em sistemas digitais de telecom.
Ele utiliza o algoritmo de decodificação de encriptagem DES24. Todas as vezes que a chave do Hopping Encoder é pressionada, os dados que rolam são incrementados de 1, e todas as vezes que ele recebe uma chave, será incrementado de 1.0 HT48E06 é usado nessa aplicação como o controlador. As principais características desse componente são:
Formatos de código
• Todos os formatos: Lead code + idata (24 bits0 _ hdata (24 bits).
• Lead Code: Parte baixa (8,90 ms) + parte alta (4,48 ms).
• idata (24 bits): dados de endereço (20 bits) + dados do key status (4 bits).
• idata (24 bit) & hdata (24 bit):
- lógica 0
- Parte baixa (560 gs) + parte alta (560 ps)
- lógica 1
- Parte baixa (560 gs) + parte alta (91,68 ms)
• Código de repetição
Parte baixa (8,96 ms) + parte alta (2,24 ms) + parte baixa (560 lis)
Na figura abaixo temos um circuito prático de aplicação.
O programa para esse circuito pode ser baixado diretamente do site da Holtek, procurando-se pelo documento PDF ha0093t.
Receptor de dupla conversão para Wimax
Descrevemos de forma resumida neste artigo a implementação de uma etapa de IF para conversão dupla de um receptor WiMax. O projeto é baseado no Application Note AN-851, da Analog Devices(www.analog.com).
O que levamos ao leitor é um exemplo de etapa de frequência intermediária (FI) de um receptor destinado a aplicações em serviços de comunicação sem fio (WCS) na faixa de 2,3 a 2,36 GHz e na faixa não licenciada ISM de 2,4 a 2,4 GHz.
O receptor é projetado para operar com sinais de banda larga em sistema que usem a modulação OFDM (Orthogonal Frequency Division Mul-tiplexing), como descritos no padrão IEEE 802.16.
O projeto apresentado pode utilizar larguras de faixa de até 10 MHz, usando filtro SAW (Surface Acoustic Wave), mas faixas mais largas podem ser obtidas com filtros selecionados e uma taxa maior de amostragem.
Modulação
OFDM é um esquema de modulação usado no próximo padrão emergente WiMax. Esse esquema utiliza diversas subportadoras de várias modulações IQ de modo a se obter uma grande concentração de dados e uma imunidade a propagação multitrajetos.
A informação da banda base é espalhada entre subportadoras de modo que muita pouca informação será perdida se ocorrerem sinais que percorram trajetos diferentes, causando interferência destrutiva e atenuando uma parte do espectro transmitido.
Com esse esquema pode-se transmitir sinais em baixas taxas a grandes distâncias, ou quando a relação sinal/ ruído for alta, sinais em altas velocidades com o mesmo alcance.
A variedade de esquema de sub modulação e codificação resulta em exigências de relações sinal/ruído (SNR) para o receptor.
A sensibilidade de referência para um receptor WiMax é definida pelo padrão IEEE 802.16-2004 e deve ser de -91 dBm para um canal de 1,5 MHz, usando metade da taxa QSPK de codificação. Será de -65 dBm para um canal de 20 MHz, usando codificação 64 QAM, isso significa a exigência de uma figura de ruído (NF) de 7 dB com 5 dB de margem de implementação.
O padrão 802.16 define um nível máximo de potência de entrada de — 30 dBm para uma detecção bem-sucedida, com um nível máximo tolerado de potência de O dBm. Como não se espera que a estação base ou um assinante decodifiquem um sinal de entrada de 0 dBm com sucesso, o equipamento deve ser capaz de manusear um sinal de 0 dbm de entrada sem dano.
Arquitetura
Na figura abaixo ilustramos uma etapa clássica de FI de um receptor de dupla conversão.
O projeto apresentado é baseado num ADC de 14 bits. No entanto, um ADC de 12 bits pode ser usado de modo a atender as exigências do padrão 802.16.
Na figura abaixo mostramos as diversas trajetórias de espúrios para um mixer conversor abaixador de frequência, usando injeção LO.
De modo a minimizar o número de componentes espúrias no mixer, as quais podem interferir no sinal, uma análise do gráfico mostra que a primeira FI deve estar entre 210 MHz e 400 MHz.
Para o projeto indicado, a primeira FI será de 374 MHz, usando a faixa inferior de 1926 a 2026 MHz. A FI final, por outro lado, deve se beneficiar da faixa estreita da FI anterior, normalmente não mais de 20 MHz. Isso permite que diversas FIs secundárias possam ser consideradas, com faixas de 10 MHz a 70 MHz além de bandas mais altas de frequências centralizadas em 107 e 140 MHz.
Uma FI de 70 MHz é selecionada de modo a impedir a presença de harmônicas de ordens mais altas que possam ser levadas de volta à antena e cair na banda desejada.
Na figura seguinte temos a implementação do circuito.
O primeiro componente do receptor é um filtro seletor de faixa. Diversos fabricantes podem fornecer esse filtro na faixa de frequências para a qual o receptor é destinado. Os filtros de cavidades são bons para esse tipo de aplicação.
Segue uma etapa que consiste num primeiro LNA conforme circuito exibido na figura abaixo.
Essa etapa emprega um transistor ATF541M4 de GaAs proporcionando o ganho desejado para aplicação.
Os demais blocos do circuito incluem novos filtros, etapas de amplificação e o conversor analógico para digital (ADC) que fornece o sinal recuperado totalmente.
Mais informações sobre esse projeto podem ser obtidas no site da Analog Devices.
Aplicações do MCRF355/360 - RFID
O circuito integrado MCRF355 da Microchip consiste em um dispositivo RFID passivo de baixo custo, leitura múltipla, indicado para aplicações que fazem uso da faixa de frequências de 13,56 MHz.
Ele possui uma memória total de 154 bits que podem ser reprogramados por um programador de contato. O dispositivo opera numa taxa de dados de 70 kHz e assincronamente em relação à portadora de leitura.
O mesmo liga quando a tensão na bobina alcança 4 Vpp e, a partir daí, fornece dados com o formato Manchester conforme mostra a figura a seguir.
O dispositivo demora aproximadamente 2,2 ms para transmitir todos os 154 bits de dados. Depois da transmissão de todos os dados o dispositivo entra no modo sleep por 100 ms (+/-50%).
O MCRF355 precisa apenas de um circuito externo LC ressonante na frequência de operação para funcionar. Os componentes LC externos devem ser ligados entre a antena A, B e as linhas de terra.
O circuito formado entre a antena A e o terra deve estar sintonizado na frequência de operação da antena de leitura.
O dispositivo transmite dados sintonizando e dessintonizando a frequência do circuito de ressonância externo. Esse processo é acompanhado pelo uso de uma porta de modulação interna CMOS, que tem uma resistência "ao ligar" muito baixa (2 a 4 ohms) entre o dreno e a fonte.
Essa porta liga com o sinal no nível alto da modulação, e baixo de outra forma. Quando a porta liga, sua baixa resistência coloca em curto o circuito externo entre a antena B e a linha de terra. Com isso, a frequência de ressonância do circuito muda.
Esse processo é denominado dessintonia ou "cloaking". Como a frequência de ressonância é agora diferente da frequência de leitura, o leitor deixa de "ver" o circuito.
A porta de modulação desliga quando o sinal de modulação vai ao nível lógico baixo. Essa condição de desligar, leva novamente o circuito ressonante à frequência de leitura. Com isso, o leitor passa a ver o dispositivo outra vez. Esse processo é chamado sintonizado ou "uncloaking".
A bobina do receptor (tag) induz a máxima tensão durante o uncloaking e a mínima no cloaking. Com isso, esses eventos desenvolvem no circuito um sinal de modulação.
Na próxima figura ilustramos esse processo nos diversos modos de funcionamento do MCRF355. O sinal modulado em amplitude pelo tag perturba a tensão de envelope da bobina de leitura. A bobina de leitura tem então a máxima tensão, quando a bobina está dessintonizada e menor tensão quando sintonizada. Com a detecção dessa tensão, o leitor pode então recuperar a informação gravada na memória do tag.
Uma vez que o dispositivo tenha transmitido os 154 bits de dados, ele entra no modo sleep por aproximadamente 100 ms. O tag acorda do estado de sleep e transmite o pacote num tempo de 2,2 ms, indo novamente ao estado de sleep.
Um problema que pode ocorrer quando diversos tags são lidos é a colisão de dados. O esquema de anti-colisão exige que as leituras sejam feitas em tempos diferentes, conforme exibe a figura abaixo.
Aproveita-se o estado de sleep de um tag para se ler outro e assim por diante, de modo que os dados não sejam confundidos.
A diferença entre o MCRF355 e o MCRF360 é que este último inclui um capacitor interno de 100 pF. Isso significa que esse dispositivo precisa apenas de um indutor externo para operação.
A programação da memória desses dispositivos é feita por um programador de contato ou ainda pode ser realizada no processo de fabricação, por uma programação denominada Serialized Quick Turn programming (SQTP). Mais informações podem ser obtidas em documentação disponível no site da Microchip (www.microchip.com).
Uso de osciladores de espectro espalhado para reduzir radiação em produtos de consumo
Em seu Application Note 1995, a Dalas Semiconductor, através da Maxim (www.maxim-ic.com) apresenta uma solução interessante para reduzir o nível de radiação de produtos de consumo. Neste artigo vamos procurar resumir o conteúdo desse documento, podendo o leitor que domina bem o inglês consultar a versão original no site da empresa.
Em 1975 o FCC (Federal Communications Commission), agência governamental americana que regula o uso das emissões de RF, emitiu novos regulamentos denominados FCC Part 15.
Esse documento não se destinava especificamente ao controle de equipamentos de alta potência como transmissores de rádio TV, navegação aérea e sistemas de emergência, mas sim visava controlar a emissão de equipamentos que não deveriam deliberadamente emitir energia de RF, como televisores, automóveis e aparelhos de baixa potência de RF como controles remotos e walk-talkies.
Um exemplo interessante disso ocorreu recentemente no aeroporto de Dallas/Forth Worth onde, durante a decolagem e aterrissagem, pilotos relataram perda de controle em equipamentos eletrônicos devido à interferência que se constatou posteriormente ser causada por a controles remotos usados na abertura de portas de garagens!
Assim, o regulamento em questão exige que todos os equipamentos vendidos nos Estados Unidos sejam testados e certificados de que não emitem radiação de RF que possa causar problemas de funcionamento em outros equipamentos.
Durante os anos 80 e 90, os equipamentos eletrônicos (de fornos de micro-ondas a telefones celulares) aumentaram em número numa proporção gigantesca. A interferência cruzada entre tais dispositivos tomou-se um problema.
Fornos de micro-ondas interferem em marca-passos, enquanto que modems a cabo interferem em telefones sem fio. Igualmente, monitores de computadores irradiam energia de RF suficiente para interferir em um boa quantidade de equipamentos eletrônicos em suas vizinhanças (tente ouvir seu rádio AM perto de um monitor!).
O FCC e outros organismos reguladores como a agência Electro Mag-netic Compatibility (EMC) na Europa, responderam a esse problema com regulamentações rígidas. Nos Estados Unidos, a FCC Part 68, regula dispo-sitivos de uso comercial e industrial. A parte 68 Class A envolve equi-pamentos utilizados em ambientes industriais, enquanto que a FCC Parte 68 Class B é dirigida a produtos de consumo. A seguir, trataremos principalmente dos produtos que se enquadram na classe B.
Reduzindo a Emissão de Radiação
Radiações são emitidas em qualquer parte de um equipamento em que exista um sinal elétrico. No caso de um PC, a placa-mãe com um clock rodando em certa frequência irradia energia de RF que está principalmente centralizada na sua frequência de operação.
Duas definições são importantes nesse contexto:
Susceptibilidade Irradiada — é a sensibilidade de uma parte de um equipamento eletrônico a fontes de RF externas.
Emissões Irradiadas - são as energias não intencionalmente irradiadas por uma parte de um equipamento eletrônico, como numa placa-mãe ou monitor, e que podem ter um impacto sobre equipamentos eletrônicos em outros locais.
Se a energia irradiada pela placa-mãe de um PC é medida, picos de irradiação na frequência central do oscilador estarão presentes, conforme mostra a figura 16.
As exigências do FCC são para que a energia irradiada se mantenha abaixo de um certo nível.
Veja que, ironicamente, os padrões não exigem a redução da quantidade total de energia irradiada, mas sim da quantidade de energia do pico que será irradiado numa única frequência.
Os métodos tradicionais de se reduzir a energia irradiada consistem em blindagens, aterramento e outros meios. Caixas plásticas de equipamentos podem ser dotadas de blindagens internas e outros recursos.
Com a presença de harmônicas de frequências elevadas, como nos clocks de computadores, técnicas de blindagem, filtragem de EMI e um layout cuidadoso da placa são as soluções adotadas. No entanto, esses recursos se tornam mais difíceis de aplicar nos equipamentos de consumo que se tornam cada vez menores e sensíveis a qualquer aumento de custo.
Uso da Tecnologia do Espectro Espalhado
Em diversos artigos desta mesma Revista tratamos do espectro espalhado (spread spectrum), o que significa que uma revisão de seu princípio de funcionamento não se faz necessária. Porém, para os leitores interessados, a própria documentação da Maxim faz uma breve revisão histórica do que se trata.
Veja que o termo "espectro espalhado" é usado aqui de uma forma diferente da empregada quando se trata de dispositivos como telefones sem fio e outros. No telefone sem fio, a frequência de operação tanto do transmissor quanto do receptor é comutada numa faixa em conjunto, reduzindo assim o efeito da radiação externa em qualquer frequência.
O uso da tecnologia do espectro espalhado para redução de emissão de RF em transmissores não intencionais em produtos de consumo como PCs, envolve a varredura da frequência do clock numa certa faixa.
Dessa forma, as emissões produzidas são espalhadas em uma faixa, e somente uma pequena quantidade da energia total estará presente numa única frequência. Isso reduz a energia de pico para um valor abaixo das exigências do FCC.
O método acima usa um sinal aplicado ao oscilador que modifica sua frequência, para cima e para baixo, em função do seu nível. Um sinal triangular é aplicado ao oscilador, variando sua frequência, conforme ilustra a figura abaixo.
Uso do Econ Oscillator
A Maxim possui um circuito integrando-o DS1086 - que consiste num oscilador que utiliza essa tecnologia. Esse oscilador, cujo diagrama de blocos é visto na figura a seguir, consiste num gerador programável de clock capaz de produzir sinais entre 66 MHz e 133 MHz, sintonizável em incrementos de 10 kHz. A programação é feita por uma interface de 2 fios.
Utilizando esse dispositivo com um prescaler, é possível obter outras gamas de frequência, conforme a aplicação.
Três faixas de desvios de frequências são disponíveis, de 0, 2% e 4%. Diferentemente de produtos equivalentes, esse componente não exige cristal externo.
O DS1086 usa um conversor digital-para-analógico (DAC) precisamente controlado em conjunto com o oscilador controlado por tensão (VCO), calibrado para gerar a frequência central.
O desvio de frequência é injetado na sápida de frequência pela injeção de uma tensão triangular com o sinal de tensão da entrada do VCO. A amplitude do sinal triangular vai então determinar a amplitude do deslocamento da frequência gerada.
Note que mesmo que a opção de desvio seja zero, ainda assim ocorre um desvio de 1% na frequência inerente à própria construção desse tipo de oscilador.
Os osciladores Econ Oscillators têm uma redução de 10 dBm na radiação produzida quando comparados com osciladores a cristal comuns, sem a necessidade de qualquer circuito adicional.
Detector de potência para W-CDMA
Desde 1997 a tecnologia Wideband Code Division Multiple Access (ou W-CDMA) foi adotada para a terceira geração de telefones celulares em diversos locais.
Essa tecnologia opera com uma taxa de modulação de 3,84 Mcps em QPSK e também QAM com 15,36 Mbps. A portadora tem uma faixa limitada em 5 MHz.
A proposta da National Semi-conductor com seu Application Note AN-1375 é um sistema de controle da potência usada nos equipamentos que adotam esse padrão.
Na figura 19 mostramos uma configuração genérica para esse controle para uma amplificação linear de sinal. Como uma grande linearidade é exigida no sinal W-CDMA devido ao alto fator de crista e à natureza de cruzamento por zero dos sinais QSPK e 16QAM, o amplificador de saída normalmente é polarizado com ganho fixo e tensão de alimentação fixa.
Na figura 20 temos um circuito recomendado pela National (www. national.com) com base no amplificador de potência LMV228. A potência máxima de entrada do LMV228 é de +15 dBm em um sistema de 50 ohms. O nível máximo de entrada de RF é fixado pelos diodos de proteção contra ESD.
Um capacitor de bloqueio DC é colocado entre o acoplador direcional e o LMV228 para bloquear a tensão DC de habilitação do acoplador. Sem esse capacitor, uma corrente pode fluir através do resistor de 50 ohms consumindo potência desnecessária.
Como atualmente a maioria dos amplificadores de potência W-CDMA tem uma saída máxima de aproximadamente +29 dBm, com um acoplador de 20 dB, a entrada no LMV228 será de 29-20 = 9 dBm.
Assim, dependendo do canal de transmissão que estiver em uso no UE, a potência de entrada de RF instantânea para o LMV228 deverá levar em conta o fator de crista do esquema de modulação.
O uso do acoplador direcional tem por vantagem utilizar menos área delayour na placa de circuito impresso, quando comparada com um isolador. O tamanho físico do acoplador direcional é determinado pela frequência, constante dielétrica do substrato e as necessidades do fator de acoplamento e isolamento.
Um componente que pode ser usado é o fabricado pela Low Temperature Co-Fired Ceramic (LTCC), que é fornecido em invólucro 0603, alcançando um fator de acoplamento de 20 dB.
O circuito integrado LMV228 utilizado nesse projeto foi desenvolvido e otimizado para a melhor faixa de detecção de potência de RF em equipamentos W-CDMA. Na figura 21 vemos a sua resposta de frequência.
Para uso em Dual-band W-CDMA, a National sugere o circuito da figura 22. Mais informações sobre esse aplicativo podem ser obtidas no próprio site da National, digitando-se no search no número de Application Note.
MC13192 / MC13193 - Transceptor de Baixa Potência de 2,4 GHz para o Padrão IEEE 802.15.4
O MC13192 e o MC13193 são transceptores de pequeno alcance para uso industrial, médico ou científico, operando na faixa de 2,4 GHz, contendo toda a camada física (PHY) do padrão IEEE 802.14.4, capaz de suportar redes ponto-a-ponto, estrela e mistas.
O MC13192 inclui uma PHY/MAC 802.15.4 para uso com os MCUs da família HCS08 e mais a pilha de protocolos Zigbee também para uso com os mesmos.
Quando combinados com um microcontrolador apropriado, os MC13192 e MC13193 proporcionam uma solução eficiente para links de dados de curto alcance e redes. A interface com o MCU é feita utilizando-se uma SPI (Serial Peripherial Interface) de 4 fios que possibilita o uso de uma grande variedade de processadores.
Dentre as aplicações sugeridas pela Freescale (www.freescale.com) citamos:
* Controle remoto para a substituição de fiação física em sistemas industriais como redes de sensores sem fio.
* Automação de indústrias e controle de motores.
* Gerenciamento de energia (iluminação, HVAC, etc).
Entre as aplicações de consumo podem ser citadas:
* Automação residencial e controle (iluminação residencial, termostatos, etc).
* Interfaces com humanos (teclados, mouse, etc).
* Controle remoto.
* Brinquedos sem fio.
O transceptor inclui um amplificador de baixo ruído, um amplificador de potência de 10 mW, PLL com VCO interno, regulagem de tensão on-board, e codificação completa em espectro espalhado e decodificação.
O dispositivo suporta dados modulados em Offset-Quadrature Phase Shift Keying (O-QPSK) com velocidades de 250 kbps em canais de 2 MHz com separação de canais de 5,0 MHz, conforme especificação do padrão 802.15.4.
A porta SPI e a saída de requisição de interrupções são usadas para receber (RX) e transmitir (TX) dados e controle.
Destaques:
* Suporta dados O-QPSK em taxas de 250 kbps em canais de 5 MHz.
* Opera em um de 16 canais sele-cionados na faixa de 2,4 GHz.
* Sensibilidade do receptor <-92 dBm.
* Potência de saída 0 dBm nominal, programável de -27 dBm a 4 dBm
* Faixa de tensões de alimentação: 2,0 a 3,4 V.
* Três modos de power down.
* Quatro timers internos disponíveis
* Sete entradas/saídas de uso geral para sinais (GPIO)
Na figura 23 temos uma aplicação típica desses componentes.
No projeto dado como exemplo, os capacitores externos usados são de 6,8 pF, sendo empregados em conjunto com um cristal que exige 8 pF de capacitância de carga. O valor default do trimmer (2,4 pF) e a capacitância parasita resultam em 9,2 pF, dando um total de 16 pF.
Mais informações podem ser obtidas em documento PDF no próprio site da Freescale.
HT48E50 - Codificador de Saltos
O circuito integrado HT48E50 da Holtek (www.holtek.com) consiste de um codificador de saltos (hopping encoder) capaz de codificar dados de endereçamento, dados-chave e dados correntes (data) em um formato DES24.
Todas as vezes que a chave é pressionada, os dados correntes são incrementados de uma unidade. O projeto sugerido pela Holtek usa o HT48E50 como dispositivo controlador.
As funções do circuito são as seguintes:
Formato de código
• Todos os códigos: Lead Code + idata (24 bits) + hdata 924 bits).
• Lead Code: Parte baixa (8,96 ms) + parte alta (4,48 ms).
• idata (24 bits): Dados de endereçamento (20 bits) + dados do key status (4 bits).
• hdata: hdata são os dados correntes, cada vez que a chave é pressionada o hdata é incrementado de uma unidade.
• idata (24 bits) & hdata (24 bits):
-Lógica 0
Parte baixa (560 gs) + parte alta (560 ps)
-Lógica 1
Parte baixa (560 .1s) + parte alta (1,68 ms)
• Código de repetição: Parte baixa (8,96 ms) + parte alta (2,24 ms) + parte baixa (2,24 ms).
Na figura 24 temos um circuito de aplicação, observando-se que ele inclui a fonte de alimentação. A listagem do programa para esse circuito pode ser obtida no site da Holtek, procurando-se pelo documento HA0094AE.
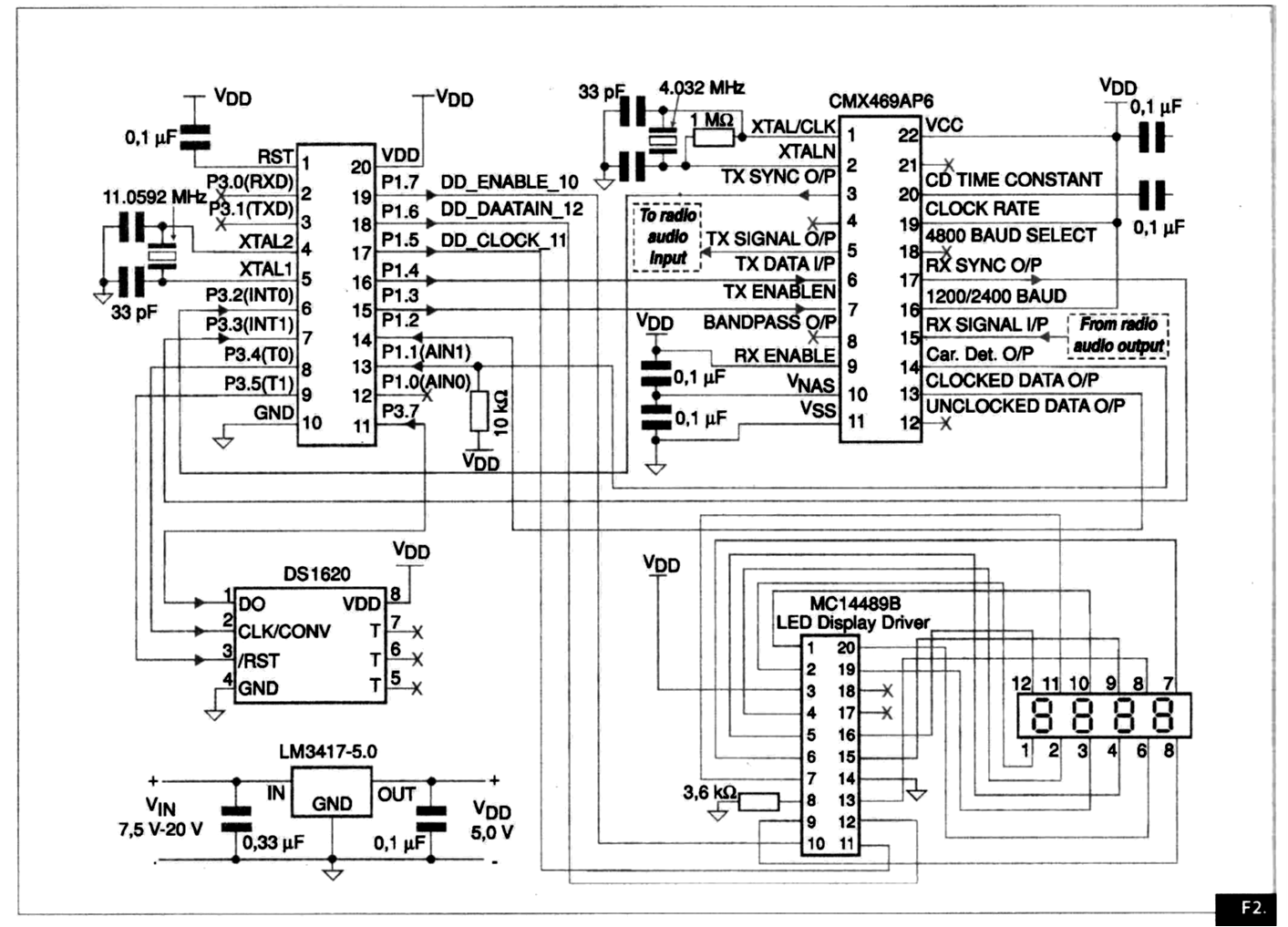
Simples comunicação de dados
O circuito integrado CMX469A da CML Microcircuits (www.cmlmicro. com), consiste num modem FFSK/ MSK1 que proporciona aos projetistas a possibilidade de criar sistemas eficientes de comunicação de dados.
A simplicidade do modem de uso geral que descrevemos aqui, baseados em Application Note da CML, unidade com velocidades de 1200, 2400 e 4800 bps, proporciona uma grande gama de aplicações práticas.
Uma das mais populares é a transferência de dados sem fio para rádios projetados para voz. O CMX469A, por si só, não exige uma configuração de microcontrolador, mas um processador hospedeiro é usado com o dispositivo para manusear os dados que entram e saem do modem.
Neste artigo mostramos como esse componente e mais um microcontrolador podem adicionar comunicação de dados a muitas aplicações.
A CML oferece outros produtos na linha de modems, incluindo o FX829 e o FX429A, mas para a aplicação descrita aqui a escolha ideal é o CMX469A. No site da empresa podem ser obtidas mais informações sobre essa aplicação e o datasheet do CMX469A.
Na figura abaixo temos a aplicação típica para a comunicação de dados via rádio usando o CMX469A.
Usando a estrutura mostrada nessa figura pode-se monitorar remotamente via rádio grandezas como temperatura, pressão, nível de um reservatório, nível de luz, etc.
Da mesma forma, sinais de controle podem ser transmitidos de volta para o local que está sendo monitorado. A baixa taxa de transmissão se adapta a sistemas que transmitem originalmente a voz e que, portanto, operam como uma banda estreita.
Um modem completo pode ser instalado numa pequena caixa de plástico e ligado a um transceptor de rádio comum, utilizando-se as saídas e entradas de fone e microfone.
No projeto dado como exemplo foi usado o DS1620, um sensor digital de temperatura da Dallas Semiconductor (Maxim). Os dados de temperatura do DS1620 são coletados à razão de um por segundo pelo microcontrolador hospedeiro, um AT89C2051 da Atmel.
O microcontrolador cria um fluxo de dados consistindo de uma palavra inicial de sincronismo, e dados de temperatura.
O fluxo de dados é, então, enviado ao CMX469A para transmissão.
Os sinais de áudio (MSK) recuperado são aplicados a um segundo CMX469A. Quando a portadora é detectada, o microcontrolador do receptor executa a rotina de detecção que procura pela palavra inicial do fluxo de dados. Se o microcontrolador reconhecer os dados como corretos, eles serão extraídos e enviados ao display. Na última figura temos o diagrama completo do aparelho.
O circuito tem entradas de cristal selecionáveis de 1,008 MHz e 4,032 MHz, e pode ser alimentado por tensões entre 2,7 V a 5,5 V. Dentre as possíveis melhorias para esse projeto destacamos a opção de se conectar a saída e entrada de dados a um microcomputador através da porta serial (RS-232) ou ainda a utilização de microcontroladores mais rápidos como os da série 8051.









































